HY268C抛光磨头
抛光磨头在旋转的同时,由差动齿轮系驱动磨头主轴,使CAM产生相对于磨头的相对旋转,主要适用于精细抛光。
产品详情Product Description

Please swipe left and right to view the following product specification parameters.
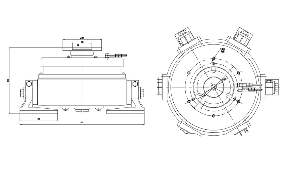
| Model | Polishing grinding block | Body material | MAX. rotary diameter | MIN. head rotation speed | MAX. head rotation speed | Overall height | Diameter of main shaft | DIA. For mounting spigot of main shaft | Connecting hold for main shaft | Center distance | Net weight | Matching power | Swing frequency of grinding block feet | Abrasives Length | Griding Block | Lubrication |
|---|---|---|---|---|---|---|---|---|---|---|---|---|---|---|---|---|
| HY268C | 6 PCS | Cast Aluminum Alloy / Cast Iron | Ø544mm | 400 RPM/MIN. | 520 RPM/MIN. | 289MM | Ø170MM | Ø85MM | 3 x Ø18 | 6-M10-Ø240 | 100KG | 11KW | 80/min | L140MM | Magnesium Oxide Bond Silicon Carbide abrasive TL140- | According to customer's requirement,manual or auto oiling are available with Great Wall 00#reducer grease. |
* [Note] The above data are standard parameters and will not be notified if they are changed in the future.
* To the extent permitted by law, Foshan Dingyue Machinery Co., Ltd. reserves the right of final interpretation of all data.
相关产品Recommended Product
上篇:HY290抛光磨头
下篇:暂无
